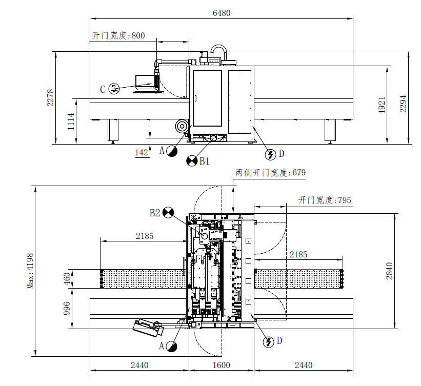
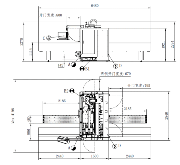
Description
Схема на пробивни групи:
| Горен ред | Долен ред |
|
|
ОБЛАСТ НА ПРИЛОЖЕНИЕ:
HUA HUA SKH-612H е високоскоростен CNC пробивен център от ново поколение, предназначен за високо-прецизно пробиване на глухи и проходни отвори в краищата и равнините на мебелни плочи от 6 страни и осигурява пробиване на всички отвори с едно преминаване на детайла.
Машината намира приложение в предприятия, където се изисква повишена гъвкавост. Тези машини не изискват пренастройване на всеки детайл, достатъчно е да изберете програма по която да работи машината и да подадете детайла.
КЮЧОВИ ПРЕДИМСТВА:
- Интуитивна лесна настройка на машината , Обработката по шест повърхности се извършва автоматично, с още първо подаване на детайла.
- Мощно вертикално притискане позиционира стабилно обработваемия детайл. Работи синхронно с пробиване (от горе и долу) и фрезовия агрегат.
- Допълнителна затягаща рампа, която работи заедно с цангите, гарантира липса на разместване при пробиване и фрезоване.
- Машината работи в автоматичен режим. Доставените детайли се обработват вътре в машината и след края на работата се подават към изходящ конвейер, който извежда детайла извън зоната за обработка.
- Машината работи с множество формати: MPR, DXF, BPP, XML, XXL, BD, CIX, CID, AUT, FXM, FMC, PIT, INI, PYXCAM
- Съвместима изцяло: BASIS – Мебельщик.
Описание на възлите:
|
Прецизни пробивни групиПрецизни пробивни групи с независимо управление на всеки инструмент разработени в съответствие с международните стандарти. Три-координатно управление, точността в производството е гарантирана. Пробивни глави:
Фрезов шпиндел: 3.5kw * 2 бр. (1 горна част + 1 долна част) |
|
6-странно пробиване и 2-странно фрезоване на детайлитеЕднократната обработка може да се извърши 6-странно пробиване на детайли и 2-странно фрезоване. Шестстранна обработка, пробиване, фрезоване, на детайлите отговоря на нуждите на различни видове производства. |
|
Машината може да обработва два детайла едновременно:Двойните скоби (щипки) имат възможност едновременно да подават два детайла и автоматично контролират подаването и позиционирането на детайла според компютърната програма за пробиване Мин. размер на детайла: 250*50 мм Макс. размер на детайла: 5000*1200 мм |
|
Допълнителен страничен изравнител.Прецизен допълнителен изравнител който помага за позициониране към пробивните агрегати |
|
Сачмено винтова двойка TAIWAN HIWINЗадвижването на пробивни агрегати с помощта на СВД, грешката на винта е в рамките на 0.05-0.1 мм, кумулативната грешка е в рамките на ±0.2 мм . Машината с тази система има по дълъг експлоатационен живот . |
|
Система за управление Syntec – Taiwan1. Система управление Syntec е абсолютна стойност, без необходимост от насочване към началната точка, машината може да продължи работата веднага след включване. 2. Висока производителност и стабилност по време на дълъг експлоатационен живот. |
|
Syntec – Taiwan – servo1. Серво мотори Syntec (Taiwan) за управление на на подаващи щипки, без необходимост от насочване към началната точка, машината може да продължи работата веднага след включване. 2. Скоростта на движение на скобата може да достигне до 130 м/мин, бързо позициониране и пробиване |
|
21-инчов цветен дисплей за управление с промишлен компютърБезопасно и надеждно разположен на лесен достъп на оператори Опростен с интуитивен интерфейс за лесна работа на оператори Програмно обезпечение на машината предлага се съвети за работа и указания за отстраняване на неизправности |
|
Система за Управление SYNTEC – Taiwanданните за обработка могат да бъдат заредени от всякавкъв вид CAD програма за бърза и удобна работа . Сканиране на QR код за бърза обработка, автоматично зареждане на графични файлове за обработка и генериране на програми за обработка |











